繁体
加入收藏
首页
凤台概况
领导之窗
新闻中心
政府信息公开
政务服务
互动交流
数说凤台
首页
凤台概况
领导之窗
新闻中心
政府信息公开
政务服务
互动交流
数说凤台
您的位置:
首页
>
信息公开
> 凤台县城管局
>
财政预决算
>
部门项目
索
引
号:
743064259/202602-00023
信息分类:
部门项目
内容分类:
发布日期:
2026-02-13 10:35
发布机构:
凤台县城管局
成文日期:
生效时间:
废止时间:
名
称:
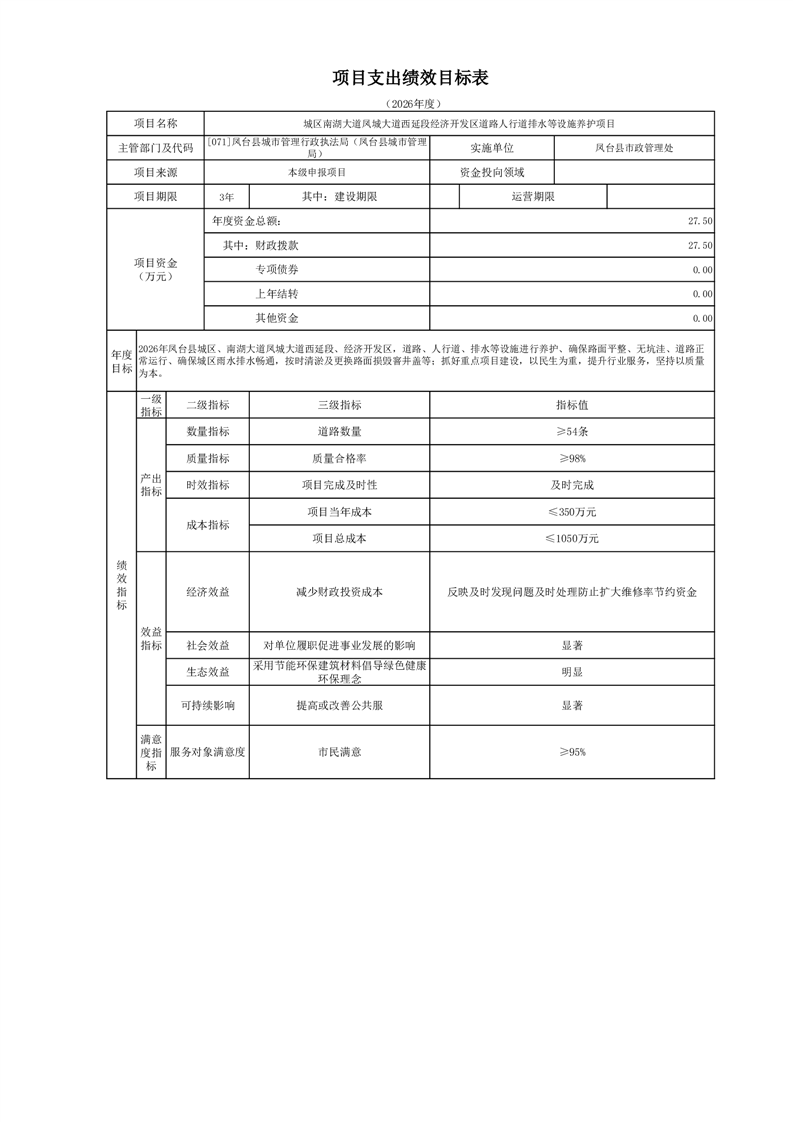
【项目支出绩效自评表】城区南湖大道凤城大道西延段经济开发区道路人行道排水等设施养护项目
点
击
量:
文
号:
关
键
词:
索
引
号:
743064259/202602-00023
信息分类:
部门项目
内容分类:
发布日期:
2026-02-13 10:35
发布机构:
凤台县城管局
成文日期:
生效时间:
有
效
性:
名
称:
【项目支出绩效自评表】城区南湖大道凤城大道西延段经济开发区道路人行道排水等设施养护项目
点
击
量:
文
号:
关
键
词:
【项目支出绩效自评表】城区南湖大道凤城大道西延段经济开发区道路人行道排水等设施养护项目
发布时间:2026-02-13 10:35
信息来源:凤台县城管局
文字大小:[
大
中
小
]
背景色:
正在更新中...
为进一步了解掌握社会公众对政策执行效果的反馈与评价,请您对该政策的制定及执行提出宝贵的意见或建议。我们将及时收集并分析,共同助力政策不断完善。
姓 名:
联系方式:
*
内 容:
*
验 证 码:
打印本页